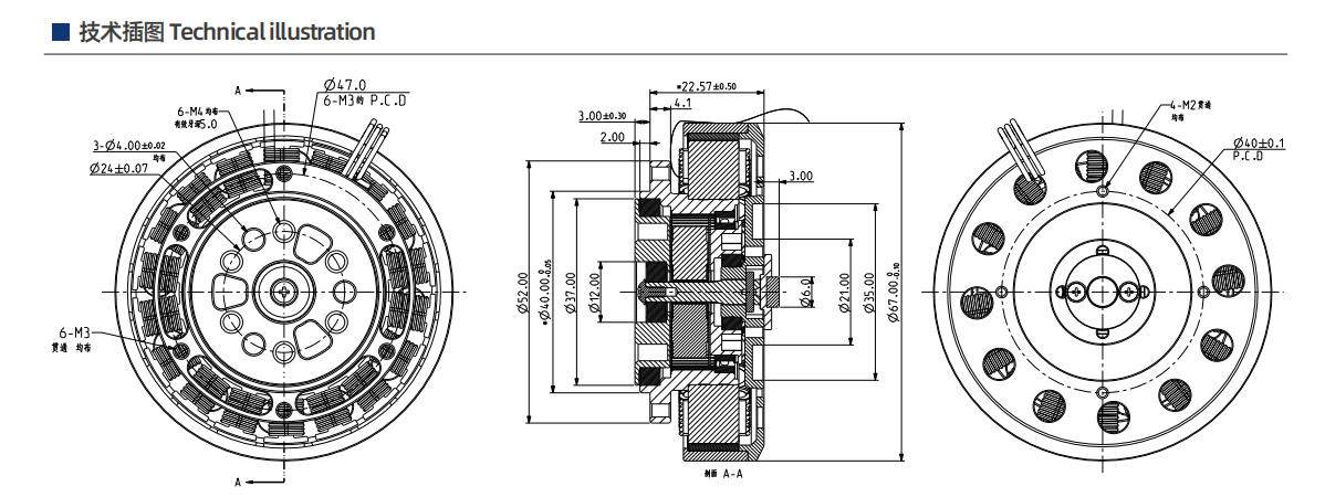
技术参数| 外径尺寸: | 67mm | 产品厚度: | 25.6MM |
| |||
| 背隙: | 15-20arcmin | 减速比: | 9.67 | ||||
| 电压: | 12-48V | 电机功率: | 328W | ||||
| 额定转速: | 310RPM | 空载转速: | 400RPM | ||||
| 额定扭矩: | 6NM | 峰值扭矩: | 18NM | ||||
| 相位阻尼: | 224uΩ | 相位电感: | 235uH | ||||
| 相电流满量程 | 33A | 额定母线电流: | 12A | ||||
| 静态工作母线电流: | 0.08A | 电机结构: | 18N20P | ||||
| 热敏电阻: | 10kb345%1 | ntc的B值: | 3435 | ||||
| 反电动势常数: | 0.0727Vs/Rad | 电机KV值: | 104kv | ||||
| 产品材质: | 金属steel | 产品重量: | 298.5g | ||||
| 允许径向力: | 250N | 允许轴向力: | 100N | ||||



行业应用部分展示

更多行业应用项目开发请联系我司项目负责人。
相关产品
按需定制Immediately consult